包装塑料薄膜麻豆视频免费观看

麻豆视频免费观看厂家讲解三百六十个行业应用麻豆视频免费观看的相关知识点。今天来讲包装用的塑料薄膜行业。塑料薄膜和薄片是包装的流行选择,并且可以保护许多日常物品免受剩余食品到消费品的侵害。塑料制造商和包装公司必须获得其生产的塑料薄膜的准确机械性能,以确保它们满足所需的期望,这一点至关重要。
1、包装塑料薄膜的拉伸试验原理
包装塑料薄膜拉伸强度的试验原理是,在塑料标准试样的长度方向施加逐渐增加的拉伸载荷,
使之发生变形直至破坏,试样破坏时所需要的最大拉伸应力就是拉伸强度。
试样拉伸长度的变化用断裂伸长率表示。在应力-应变曲线的屈服点之前的直线段上,选取适当的应力和应变,便可求出包装塑料薄膜的弹性模量。
2、包装塑料薄膜的拉伸麻豆免费性爱视频介绍:
按照国家标准GB1040“塑料拉伸性能试验方法”进行试验,
由于包装塑料薄膜这些样品的断裂力低,因此测试通常在单柱通用测试机上进行,例如500KG的单柱麻豆视频免费观看。然而,由于许多薄膜样品表现出高的断裂伸长率,因此会引起复杂化。将这些标本与标准的标距配对时,有时可能需要额外高度的单柱或双柱才能测试直至断裂。如果有这方面的需要,就需要咨询定制。
3、包装塑料薄膜的拉伸试验方法:
按要求分别沿纵向、横向切取试样各5条,试样的形状与尺寸如图所示,并在标准环境下处理所有试样至平衡,处理时间不少于4h。
具体测试方法包括以下几点。
①按照国家标准GB6672测量试样厚度,每个试样在标线内测量三个点的厚度,取算术平均值,精确到lmm。
②在试样平行部分作标线,此标线不应该对测试结果有影响。
③夹持试样,应使试样的纵轴与麻豆免费性爱视频的上、下夹具中心连线相重合,并且松紧合适。
④按规定速度(250±50)mm/min开动麻豆免费性爱视频进行拉伸试验。
⑤试样断裂后,读取载荷和标线间距的伸长量。如果试样在标线之外的某部位断裂,应取新试样重做试验。
⑥测量弹性模量时,应安装、调整测量变形记录仪,记录载荷和变形量。计算拉伸强度、断裂伸长率和弹性模量。
在实际包装使用过程中,包装塑料薄膜的拉伸强度有一个限制范围。在这个范围内,变形后的薄膜可以恢复原状。但是,若拉伸强度超出这个范围,则变形后的薄膜不能恢复。
通常选用屈服强度作用包装塑料薄膜的使用极限,如图所示δS、δB分别代表屈服强度、拉伸强度。
屈服强度指试样在屈服点所受的拉伸力,其特征为薄膜在延伸的过程中,拉伸力没有明显的增加,应力-应变曲线在这时呈现出相对水平的趋势。需要注意的是,包装塑料薄膜的纵向拉伸和横向拉伸一般是不相同的。
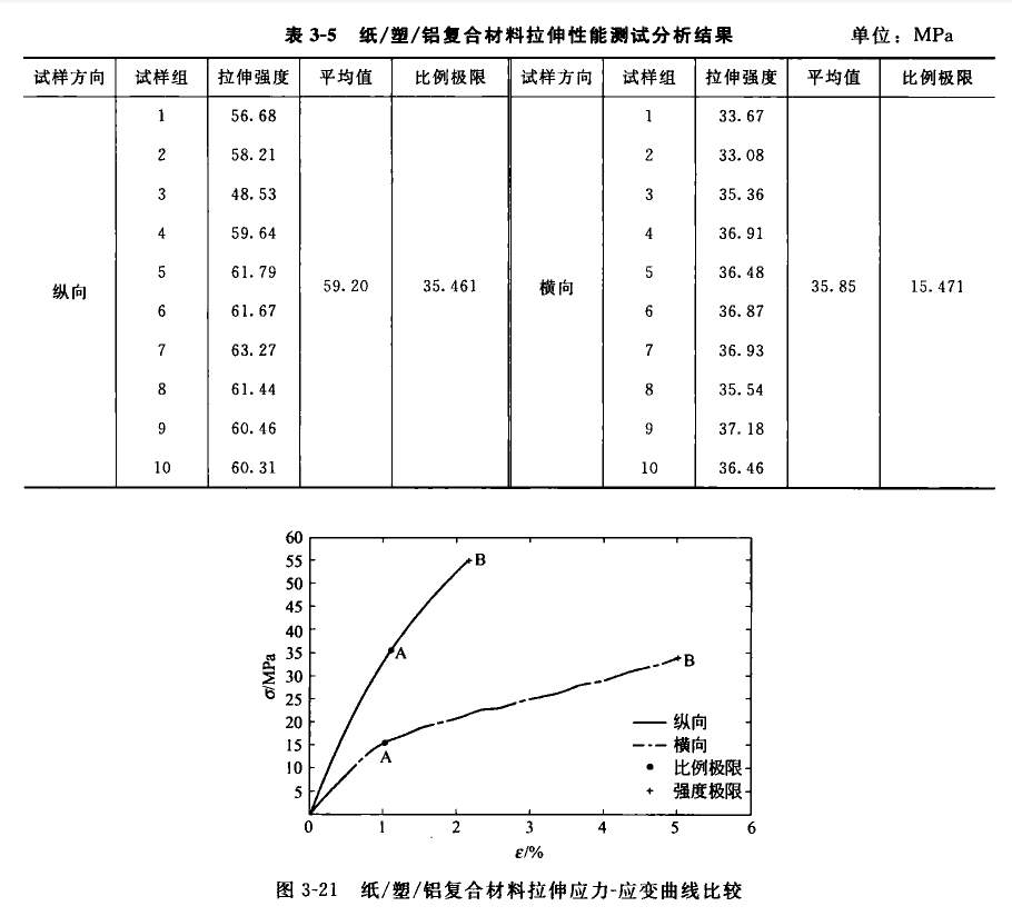
例如,表中、下图中提供了饮品(如牛奶、饮料)利乐包装用纸/塑/铝复合包装材料的沿纵向、横向的拉伸特性及其曲线,拉伸速度100mm/min,在试样两端缓慢地施加单向载荷,直到试样断裂为止。
