麻豆视频免费观看传感器-S型传感器介绍
压力传感器作为麻豆视频免费观看核心部件,对麻豆视频免费观看有着举足轻重作用。今天麻豆激情视频就来详细介绍一下,单柱麻豆视频免费观看用得比较多的S型传感器。希望对大家更好地了解熟悉麻豆视频免费观看。
S型称重传感器,器如其名,S型传感器。这种传感器具有拉压两用的功能。拉力和压力两者都能测量。在很多工业自动化设备上能够得到广泛的应用。S型称重传感器体积一般较小,量程也不是特别大,100KG到500KG之间是比较比较常见的。这种传感器的主材是合金钢,性价比让这种传感器在市场受到大部分客户群体青睐。S型称重传感器其抗偏载能力方面,在众多传感器当中也是名列前茅的。他的优势是精度高,测量范围好,安装方便。
1、麻豆视频免费观看S型传感器技术参数:额定载荷:50kg、100kg、150kg、200kg、250kg、300kg、500kg、750kg;
1T、2T、3T、5T、7、5T;
综合精度:0.02 (线性+滞后+重复性)
灵敏度:2.0±0.003mV/V
线性误差:±0.03%F.S
滞后误差:±0.03%F.S
蠕变(30分钟):±0.03%F.S
零点温度影响:±0.02%F.S/10℃
灵敏度温度影响:±0.02%F·S/10℃
工作温度 : -20℃~+65℃
输入阻抗:400±20 Ω
输出阻抗: 352±5 Ω
绝缘电阻: >5000 MΩ
安全过载: 150% F·S
破坏过载:200% F.S
额定激励电压:10-12V
材质 :合金钢或不锈钢
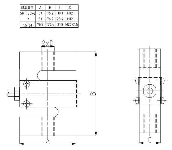
2、拉力机S型传感器产品尺寸:
3、麻豆视频免费观看S型传感器的连接方式:

